Ideal Standard Baterie lavoar incastrata Ideal Standard Connect Air pipa 19 cm gri Magnetic Grey fara corp ingropat

Ideal Standard
3.249,00 Lei 2.346,00 Lei
TVA inclus
La comanda

Data de livrare: Miercuri, 22.04.2026

Limita stoc
Adauga in cos
Cod Produs: A7029A5 Ai nevoie de ajutor? 0771137404
Adauga la Favorite Cere informatii Comanda rapida
  • Descriere
  • Caracteristici
  • Review-uri (0)

Colectia Connect Air este caracterizata prin design modern insa clasic, fiind totodata practica, eleganta si eficienta. Cu rame subtiri si linii curbate, aceasta aduce o atmosfera aerisita in orice baie. Gama Connect Air de la Ideal Standard este ideala pentru baile sofisticate ce aspira la un look minimalist si modern.

Atentia tehnicienilor si designerilor implicati in crearea gamei Connect Air a fost de a mentine standarde ridicate de calitate, rezultand una dintre gamele de lux ale producatorului Ideal Standard.

Gama Air cuprinde o varietate de obiecte sanitare, printre care vase de toaleta cu functii de igienizare, mobilier cu lavoar, baterii sanitare si cazi de baie pe pardoseala (freestanding).

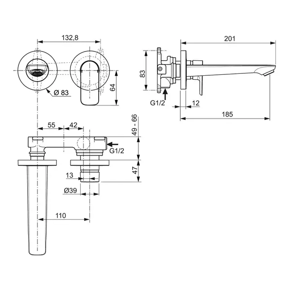
Specificatii tehnice Baterie lavoar incastrata Ideal Standard Connect Air pipa 19 cm gri Magnetic Grey fara corp ingropat:


Producator: Ideal Standard
Colectie: Connect Air
Tip produs: baterie lavoar
Tip montare: incastrat
Tip actionare: monocomanda
Culoare: gri/Magnetic Grey
Finisaj: mat
Material: alama sanitara cu acoperire PVD
Pipa turnata 185 mm
Maner metalic cu indicator rosu/albastru - imprimat pe maner
Ornament decorativ separat: pentru maner si pipa
Cartus 28 mm
Aerator Perlator M24x1 cu limitator debit 5 l/min
Clasa zgomot 1
Pentru montaj necesita achizitionarea separata a corpului ingropat - vezi produse recomandate
Tehnologia PVD garanteaza cel mai inalt nivel posibil de durabilitate, ofera o rezistenta exceptionala la deteriorari si faciliteaza curatarea

Vezi mai mult Informatii conformitate produs

Design: Linii drepte+rotunjite

Tip acționare: Monocomanda

Colecție: Connect Air

Culoare: Gri

Finisaj: Mat

Stil: Modern

Pachet: Baterie lavoar

Tip montare: Incastrat

Daca doresti sa iti exprimi parerea despre acest produs poti adauga un review.

Review-ul a fost trimis cu succes.

Compara produse

Trebuie sa mai adaugi cel putin un produs pentru a compara produse.

A fost adaugat la favorite!

A fost sters din favorite!